◆ 该炉为通用性热风装置,与各种物料的干燥设备配套使用。广泛用于粮食、种子、饲料、果品脱水、蔬菜、香菇、木耳、茶叶、银耳、烟叶等产品,食品、医药品、化工原料、轻重工业的产品的加热除湿,还可用于各种设施的加热以及库房除湿等。
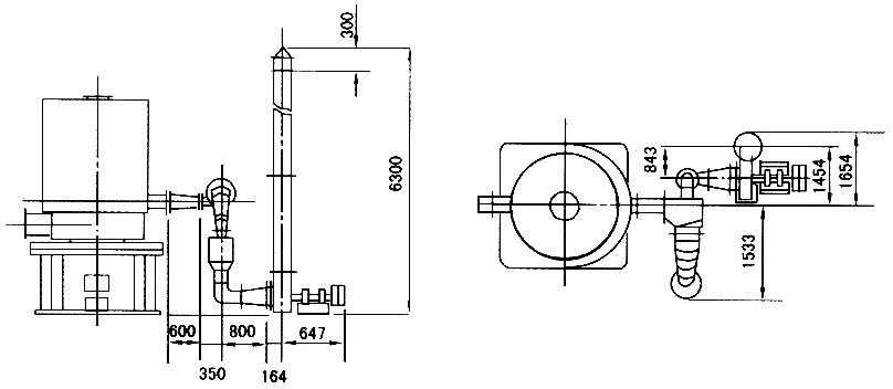
◆ 该炉集燃烧与换热为一体以炉体高温部位进行换热的间接加热技术,烟和空气各行其道,加热绝对无污染,热效率高达(60~75%),升温快、体积小,安装方便,使用可靠,且价格低(与一吨锅炉相比,该加热系统只相当于锅炉加热系统价格的一半)。
◆ 采取了耐高温措施,从而使其寿命比列管式热风炉大大延长,并采用了烟气纵向冲刷散热片和负压式排烟方式,换热部位不积灰尘,无须清理,热性能稳定。可用各种煤或柴作燃料,并配有二次进风装置燃烧完全,该炉的各项技术经济指标均达到了国内领先水平。


[上一个: ZRSG系列多功能强力气流粉碎干燥机 ]
[下一个: ZRSRZ系列散流器 ]
电话:0523-89103888
传真:0523-89103899
网址:www.jszrgz.com
邮箱:zr@jszrgz.com
地址:江苏省靖江市经济开发区